|
|
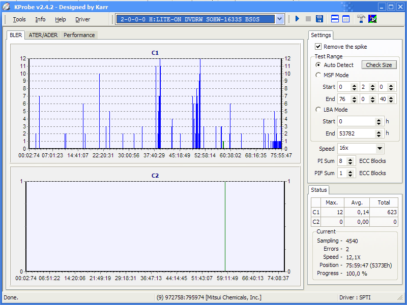
CD-R Quality Tests
All CD-R have
been burned at 8x speed on an external Liteon 1633SX USB burner.
Testing software is K-Probe 2, reading speed is 16x maximum. Wider
images refer to the standard Liteon BSOS firmware, while taller images
refer to burns performed with the updated 1653 CS0K / CS0M / CS0P
firmwares patched by
CodeKing (see CDFreaks.com's Liteon forums for reference).
TDK SpeedX

Newer firmware, same outstanding results. I really cannot understand
why Mitsui Chemicals, maker of great quality media, is classified as C-
!
Intenso 74 min (for
Audio use)

Both C1 and C2 are extremely low also with the newer firmware.
A newer firmware, and even that last C2 spike is gone:
DataTrack

Prodisc Black

Traxdata Black

I really, really wanted to like
this media, as it has been frequently recommended in the audiophile
circles as the dye that sounds best. Still, C1/C2 scans are not that
good, especially when compared with the Prodisc Black above.
Mitsui Golden Dye 74 min

Mitsui Golden Dye 80 min

Verbatim DataLifePlus

Moving to the newer firmware leads to very similar results:
Verbatim Pastel (TY)

A perfect disk. And what could you expect from the best media maker,
Taiyo Yuden? The quality of these CD-Rs is flawless, and they are also
quite cheap, with only a minor increase in price compared to Verbatim
DataLife. Recommended, this is the media I use for reliable long-term
storage.
HP (Moser Baer)

Moser Baer's disks are one of the
very few medias that sometimes had compatibility problems with my Ah!
Tjoeb 4000 CD player (the dreadful "Disc not finalized" error message).
Primeon (Ritek)

Primeon disks are very, very cheap
but their quality is not bad at all.
|
|